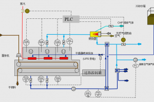
通过国内外30余个工程项目实践,红杉团队积累了完善的替代燃料预处理方案,并形成了具备特色的预处理过程的产品。
我们可以提供的工艺系统集成包括:
- Plastic Preparation Process (PPP)
- Tire Preparation Process (TPP)
- Domestic Waste Preparation (MTP, Mechanical-Thermal Process)
- Wood Preparation Process (WPP)
- Animal Meal Preparation Process (APP)
- Waste Oil Preparation Process (OPP)
- Sewage Sludge Preparation Process (SPP)
- Wood / Husk Rice / Biomass Drying Process with waste heat/solar
- Any other type of secondary fuels
主要产品有:替代燃料预处理除尘设备、空气输送皮带、干化设备等。
如果您有详细的工程项目需要,请及时与我们联系(Contact us)。

English







评论 (0)